MAX11410 Evaluation Kit
MAX11410 Evaluation Kit
MAX11410 Evaluation Kit
MAX11410 Evaluation Kit
MAX11410 Evaluation Kit
MAX11410 Evaluation Kit
MAX11410 Evaluation Kit
MAX11410 Evaluation Kit

MAX11410 Evaluation Kit

Maxim
 

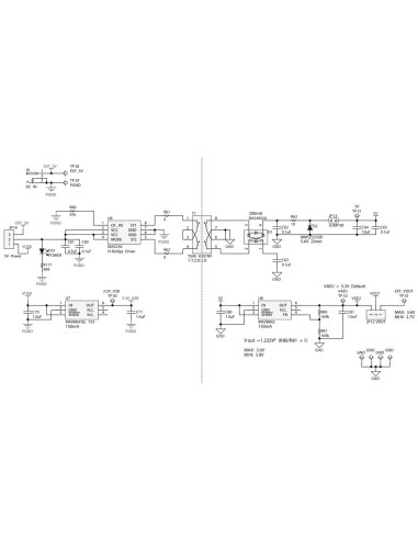
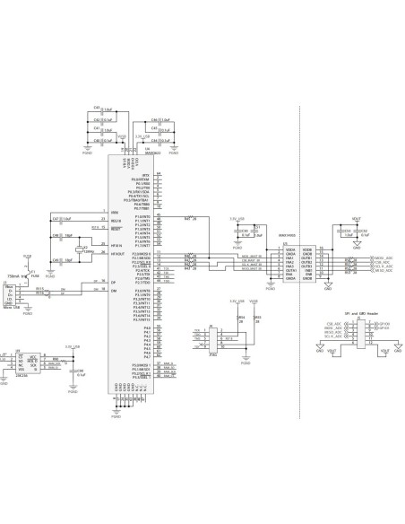
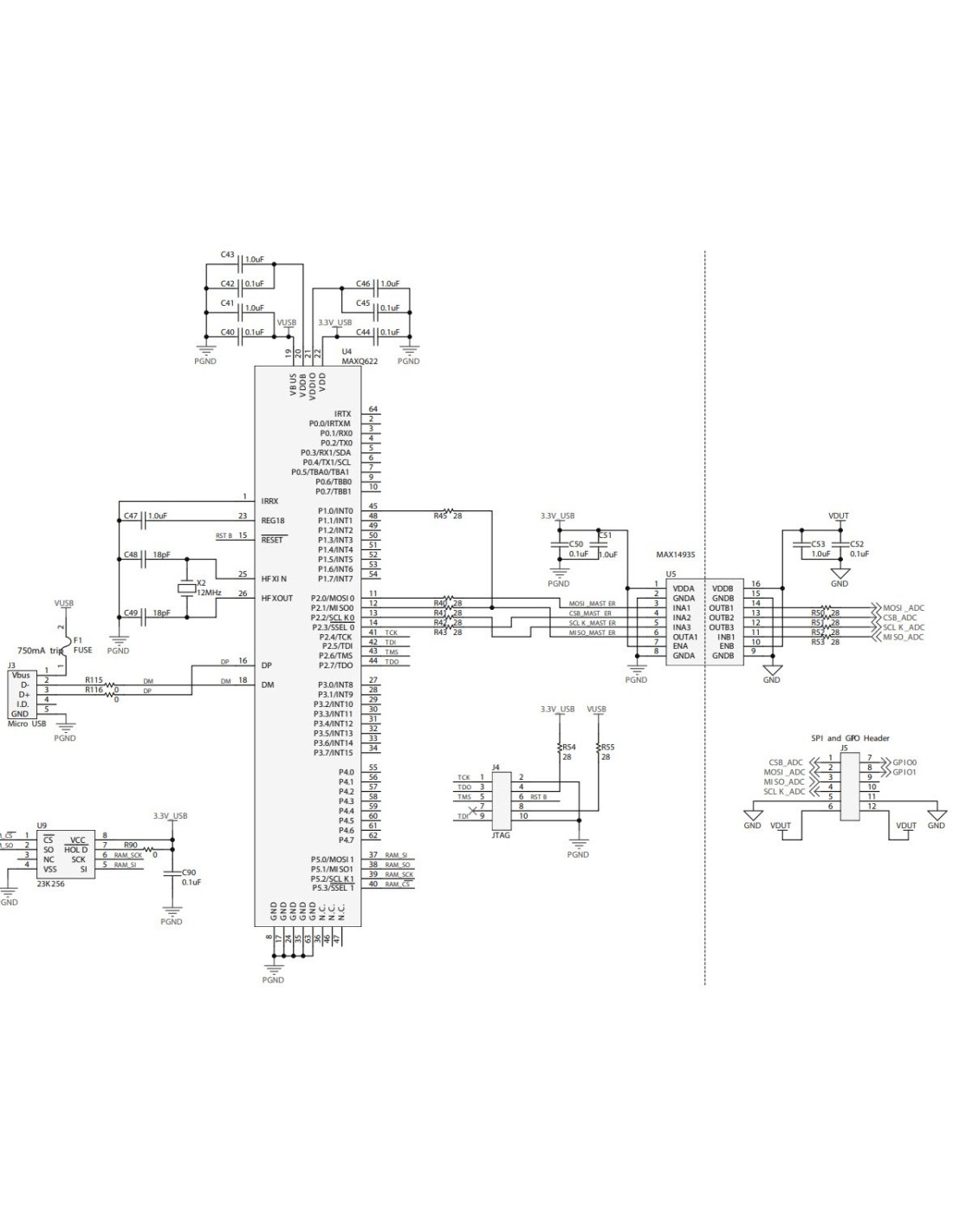
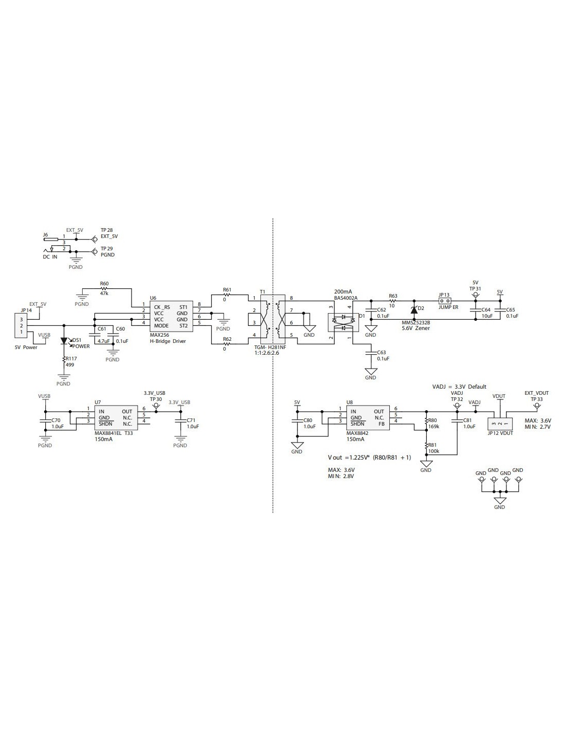
MAX11410EVKIT é um kit de avaliação projetado para demonstrar e facilitar o uso do MAX11410/MAX11410A, um conversor ADC delta-sigma de 24 bits, multicanal e de baixo consumo. Ele oferece uma plataforma completa para testes, desenvolvimento e análise de desempenho do ADC.

🔍 Principais características

  • Avaliação simples e direta do MAX11410/MAX11410A

  • Alimentação via USB

  • Referência de tensão selecionável: 2,5 V ou 1,25 V

  • Suporte a clock externo (2,4576 MHz)

  • Comunicação e alimentação isoladas

  • Diversas taxas e tamanhos de amostragem

  • Ferramentas de análise:

    • Domínio do tempo

    • Domínio da frequência

    • Histogramas

  • Plots e configurações de registradores salváveis

  • Software GUI compatível com Windows (XP, 7, 8.1)

  • Kit totalmente montado e testado

🖥️ Software incluso

Acompanha uma interface gráfica (GUI) que permite:

  • Configurar todos os registradores do ADC

  • Visualizar dados capturados

  • Gerar FFT, histogramas e gráficos de tempo

No reviews

8 outros produtos na mesma categoria:

Product added to wishlist
Product added to compare.

iqitcookielaw - module, put here your own cookie law text