PIC18F46K22-I/PT MCU Development Board Minimum System Board
PIC18F46K22-I/PT MCU Development Board Minimum System Board
PIC18F46K22-I/PT MCU Development Board Minimum System Board
PIC18F46K22-I/PT MCU Development Board Minimum System Board

PIC18F46K22-I/PT MCU Development Board Minimum System Board

Microchip
 

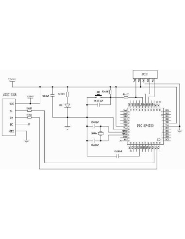
PIC18F46K22-I/PT MCU Development Board

(Minimum System Board)**

A PIC18F46K22-I/PT MCU Development Board é uma placa mínima de desenvolvimento projetada para oferecer um ambiente simples, compacto e eficiente para testes, estudos e prototipagem com o microcontrolador Microchip PIC18F46K22.

Ela fornece todos os circuitos essenciais para operação do microcontrolador — alimentação, clock, reset e interface ICSP — permitindo que o desenvolvedor programe e teste firmware rapidamente, sem a necessidade de montar circuitos básicos em protoboard.

Com acesso completo aos pinos do PIC18F46K22, a placa é ideal para quem deseja criar projetos de automação, instrumentação, controle, sensores e sistemas embarcados de forma prática e organizada.

Características Principais

  • Microcontrolador: PIC18F46K22‑I/PT (encapsulamento TQFP)
  • Arquitetura: 8 bits (PIC18 – Enhanced Flash)
  • Memória Flash: 64 KB
  • RAM: 3.8 KB
  • EEPROM: 1 KB
  • Clock:
    • Suporte a cristal externo
    • Oscilador interno até 16 MHz
  • Periféricos integrados:
    • 2× UART
    • 2× MSSP (I²C/SPI)
    • 2× CCP + 1× ECCP (PWM)
    • ADC de 12 bits
    • Comparadores
    • Timers 8/16 bits
  • Recursos da placa:
    • Regulador de tensão 5 V / 3.3 V (dependendo da versão)
    • Conector ICSP para PICkit / ICD
    • Botão de reset
    • LEDs de status
    • Headers com todos os pinos do microcontrolador
  • Alimentação: USB ou fonte externa (dependendo da versão)

Aplicações

  • Prototipagem rápida com PIC18
  • Automação residencial e industrial
  • Controle de sensores e atuadores
  • Sistemas embarcados de baixo consumo
  • Projetos educacionais e laboratoriais
  • Comunicação serial, I²C e SPI
  • Desenvolvimento de firmware com MPLAB X + XC8

Vantagens

  • Placa mínima, compacta e fácil de usar
  • Ideal para quem quer aprender ou desenvolver com PIC18
  • Acesso total aos pinos do microcontrolador
  • Compatível com programadores Microchip
  • Excelente custo‑benefício
  • Perfeita para testes rápidos e integração em protótipos

Se quiser, posso complementar com:

versão curta para anúncio
estimativa de preço da época
ficha técnica completa
descrição adaptada para Mercado Livre / Shopee

É só me dizer o formato que você prefere.

No reviews

9 outros produtos na mesma categoria:

Product added to wishlist
Product added to compare.

iqitcookielaw - module, put here your own cookie law text