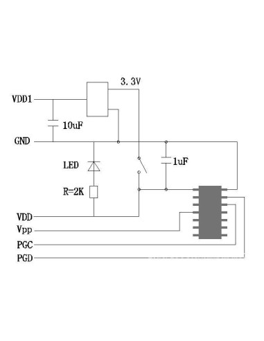
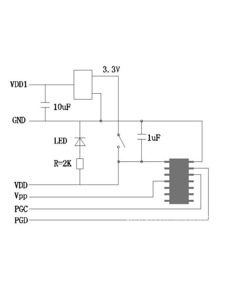
PIC16F609 base board
PIC16F609 base board
PIC16F609 base board
PIC16F609 base board

PIC16F609 base board

Microchip

9 outros produtos na mesma categoria:

Product added to wishlist
Product added to compare.

iqitcookielaw - module, put here your own cookie law text