UNOPROLOGIC USB-CPLD MAX V CPLD
UNOPROLOGIC USB-CPLD MAX V CPLD
UNOPROLOGIC USB-CPLD MAX V CPLD
UNOPROLOGIC USB-CPLD MAX V CPLD
UNOPROLOGIC USB-CPLD MAX V CPLD
UNOPROLOGIC USB-CPLD MAX V CPLD
UNOPROLOGIC USB-CPLD MAX V CPLD
UNOPROLOGIC USB-CPLD MAX V CPLD
UNOPROLOGIC USB-CPLD MAX V CPLD
UNOPROLOGIC USB-CPLD MAX V CPLD

UNOPROLOGIC USB-CPLD MAX V CPLD

Altera ( Intel )
 

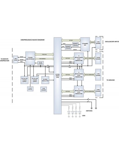
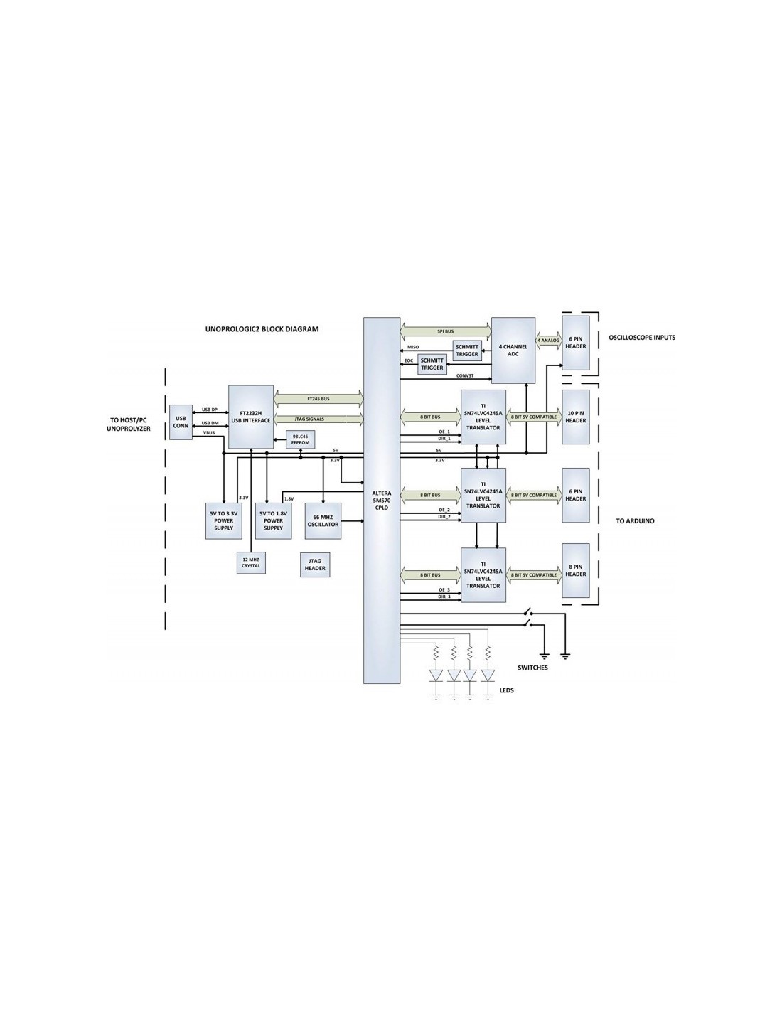
O UnoProLogic USB-CPLD MAX V CPLD é uma placa de desenvolvimento criada pela Earth People Technology (EPT) que utiliza o Altera/Intel MAX V CPLD (modelo 5M570). Ela foi projetada para facilitar o aprendizado e prototipagem com lógica programável, oferecendo interface USB integrada para programação via Quartus Prime Lite. O site oficial do fabricante é: Earth People Technology.

⚙️ Descrição técnica – UnoProLogic USB-CPLD

  • Dispositivo principal: Altera MAX V CPLD 5M570 (440 macrocélulas, memória flash interna).
  • Programação:
    • Programado via JTAG usando apenas cabo USB-C.
    • Compatível com Quartus Prime Lite (software gratuito da Intel/Altera).
  • Interface USB:
    • Chip FT2232H integrado para programação e comunicação serial com o PC.
    • Transferência de dados até 480 Mbps.
  • Entradas/Saídas:
    • 24 I/Os tolerantes a 5 V, protegidos por transceptores 74LVCH4245.
    • 4 LEDs verdes para uso do usuário.
    • 2 botões de pressão para entrada digital.
  • Conversor ADC:
    • 4 canais, taxa de amostragem de até 300 kS/s.
  • Memória interna: Flash para armazenamento do código mesmo sem energia.
  • Dimensões: 2 × 2 × 0,63 polegadas (compacta).
  • Documentação: manual detalhado, esquemáticos e exemplos disponíveis no site da EPT.

🧪 Aplicações típicas

  • Aprendizado de HDL (VHDL/Verilog).
  • Prototipagem rápida de lógica digital.
  • Interface entre microcontroladores e periféricos.
  • Projetos de comunicação serial e controle de sinais.
  • Ensino de sistemas digitais e eletrônica programável.
No reviews

16 outros produtos na mesma categoria:

Product added to wishlist
Product added to compare.

iqitcookielaw - module, put here your own cookie law text