CNC USB 4 axis for mach 3  100Khz
CNC USB 4 axis for mach 3  100Khz
CNC USB 4 axis for mach 3  100Khz
CNC USB 4 axis for mach 3  100Khz
CNC USB 4 axis for mach 3  100Khz
CNC USB 4 axis for mach 3  100Khz

CNC USB 4 axis for mach 3 100Khz

STM
 

Controladora CNC USB 4 Eixos (Compatível com Mach3)

USA STM32F103RCT6

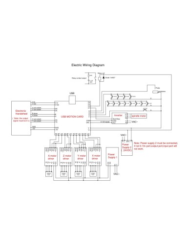
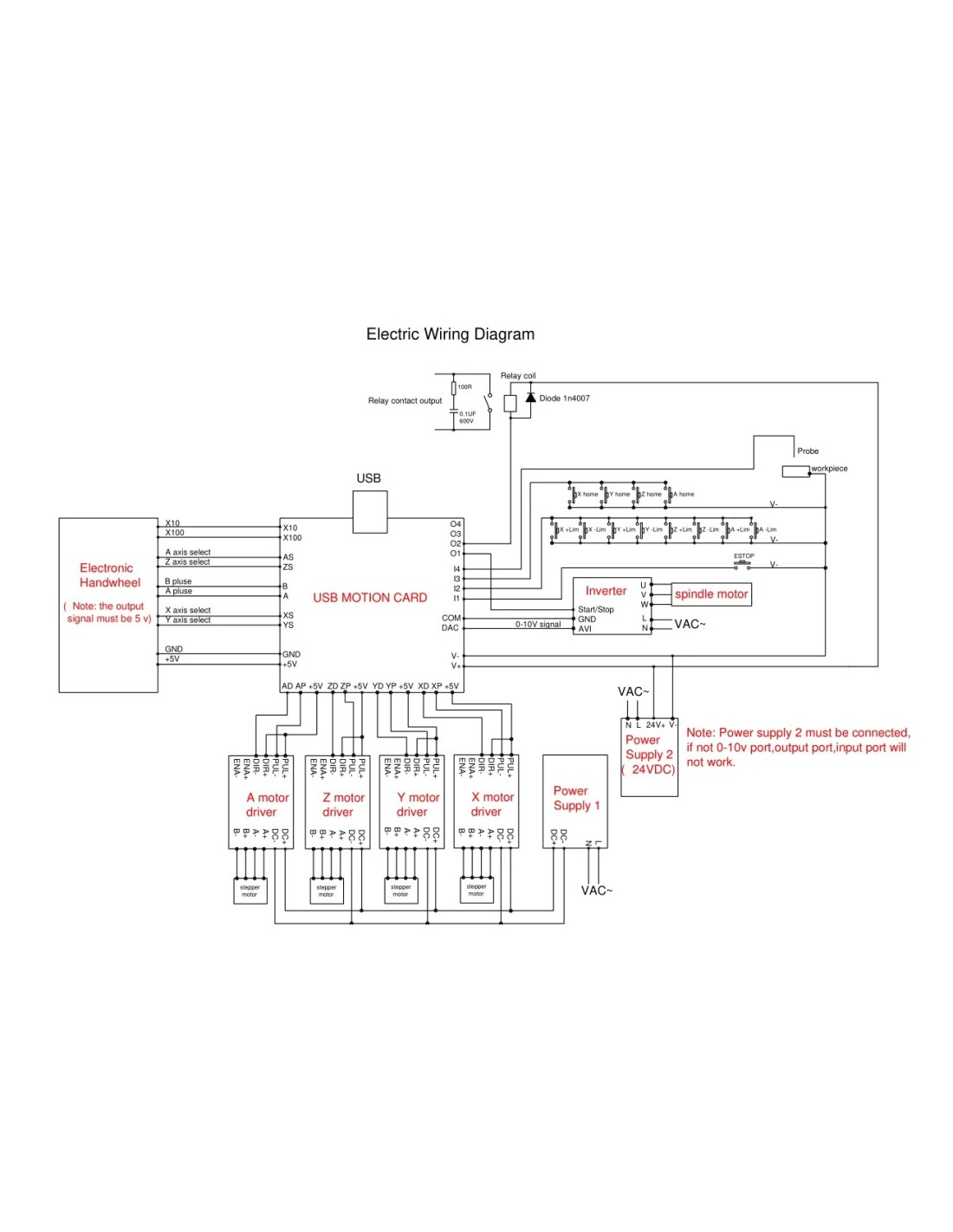
Esta controladora CNC USB foi projetada para oferecer controle preciso e confiável de máquinas CNC de pequeno e médio porte.
Ela suporta até 4 eixos, permitindo o uso com motores de passo ou servomotores, além de oferecer entradas e saídas isoladas, proteção contra interferências e compatibilidade total com o software Mach3.

🔥 Principais Recursos

🧭 1. Suporte a 4 Eixos

Permite controlar quatro motores de passo ou servo drives, ideal para máquinas CNC de 3 ou 4 eixos.

⚡ 2. Alta Frequência de Pulsos

A saída de pulsos para motores chega a 100 kHz, garantindo operação suave e precisa mesmo em motores de alto desempenho.

📏 3. Compatível com Ferramentas de Probing

Aceita sensores de toque (probe) para alinhamento automático, medição de altura e referência de ferramenta.

🛑 4. Suporte a Botão de Emergência

Entrada dedicada para E‑Stop, garantindo segurança imediata da máquina.

🔚 5. Suporte a Fim de Curso

Entradas para limit switches, permitindo proteção contra deslocamentos excessivos.

🎡 6. Conexão para Manivela Eletrônica (MPG)

Compatível com handwheel eletrônico para controle manual dos eixos.

🔌 7. Alimentação Externa 24 V

Requer fonte 24 V DC, garantindo isolamento entre USB e circuitos externos, aumentando a estabilidade e reduzindo interferências.

⚙️ 8. Saída Analógica 0–10 V

Permite ao Mach3 controlar a velocidade do spindle via sinal analógico.
Pode ser configurada também para 0–5 V.

🔧 9. Quatro Entradas de Uso Geral

Podem ser usadas para:

  • fim de curso
  • botão de parada
  • probe
  • reset
  • sensores diversos

🔌 10. Quatro Saídas a Relé Isoladas

Permitem acionar:

  • spindle (liga/desliga)
  • rotação horário/anti-horário
  • bomba de refrigeração
  • exaustor
  • outros periféricos

💡 11. LED de Status

Indica o estado de conexão e operação da placa.

🛡️ Isolamento e Proteção

A interface do inversor (AVI+ / AVI‑) é totalmente isolada do computador e do circuito principal, oferecendo:

  • alta imunidade a interferências
  • proteção contra ruídos de motores e cargas de alta tensão
  • operação mais estável e segura

⚠️ Recomendação de Segurança

Antes de operar a máquina, recomenda‑se instalar:

  • fim de curso
  • botão de emergência

Caso esses dispositivos não estejam instalados, a forma mais rápida de parar a máquina em uma emergência é desconectar o cabo USB, o que interrompe imediatamente a comunicação e para o sistema.

No reviews

2 outros produtos na mesma categoria:

Product added to wishlist
Product added to compare.

iqitcookielaw - module, put here your own cookie law text